- 更名公告:“中華全國工商業聯合會汽車經銷商商會”正式更名為“全聯汽車經銷商商會”
- 商務部:二手車交易持續活躍 異地交易量占比翻倍
- 國外二手車價格大漲 二手車出口市場火熱
- 江西開展機動車維修行業專項執法行動,重點檢查機動車維修經營備案情況!
- 中國管理科學研究院被撤銷登記,你考過它家的二手車評估師證嗎?
- 全國雞肋證書老大,終于倒了!你手上有這個單位發的報廢汽車拆解工假證嗎?
- 二手車出口企業怎么入局?有哪些難點?面臨哪些挑戰?
- 徐州豐縣 | 開展機動車維修市場聯合執法檢查,規范維修市場
- 惠州發布進一步認真落實機動車維修經營管理規定的通告
- 全聯汽車經銷商商會:2024年上半年汽車市場發展形勢分析會在長沙舉行
- 老百姓大藥房董事長謝子龍:適度放寬鄉鎮藥店開辦準入條件
新能源汽車廢舊動力蓄電池綜合利用行業規范公告管理暫行辦法(2019年本)
來源:汽車網校-湯 閱讀:1458 更新時間:2022-05-10
新能源汽車廢舊動力蓄電池綜合利用行業
規范公告管理暫行辦法
(2019年本)
一、總則
第一條 為加強新能源汽車廢舊動力蓄電池綜合利用行業規范管理,提升行業發展水平,依據《新能源汽車廢舊動力蓄電池綜合利用行業規范條件(2019年本)》(以下簡稱《規范條件》),制定本辦法。第二條 本辦法適用于中華人民共和國境內(臺灣、香港、澳門地區除外)所有類型新能源汽車廢舊動力蓄電池綜合利用企業(以下簡稱企業)。
第三條 工業和信息化部及各省、自治區、直轄市工業和信息化主管部門(以下統稱省級工業和信息化主管部門)負責對符合《規范條件》的企業實行動態管理,工業和信息化部委托相關專業機構負責協助做好公告管理相關工作,企業按自愿原則進行申請。
二、申請和核實
第四條 申請符合《規范條件》公告的企業,應當具備以下條件:(一)具有獨立法人資格,經營范圍涵蓋新能源汽車廢舊動力蓄電池綜合利用相關業務;
(二)符合《規范條件》中有關規定的要求。
第五條 符合本辦法第四條所列條件的現有企業可向所在地的省級工業和信息化主管部門提出公告申請,如實填報《新能源汽車廢舊動力蓄電池綜合利用行業規范公告申請書》(見附1)。
第六條 各省級工業和信息化主管部門會同有關部門依照第四條、第五條有關要求,組織專家對申請公告企業的相關情況進行核實并提出具體審核意見,將符合《規范條件》要求的企業申請材料和審核意見報送工業和信息化部。
三、復審與公告
第七條 工業和信息化部收到申請材料后,組織相關專家,依據第四條、第五條有關要求,對各地報送的企業材料及審核意見進行復審和現場核實,確定符合《規范條件》要求的企業名單。第八條 經復審符合《規范條件》要求的企業,在工業和信息化部網站上進行公示。對公示期間有異議的企業,工業和信息化部將組織進一步核實有關情況,對無異議的企業,以工業和信息化部公告方式予以發布。
四、監督管理
第九條 進入公告名單的企業要按照《規范條件》的要求組織生產經營活動,且應在每年第一季度結束前通過省級工業和信息化主管部門向工業和信息化部提交《新能源汽車廢舊動力蓄電池綜合利用行業規范條件執行情況和企業發展年度報告》(以下簡稱《年度報告》,見附2)。各省級工業和信息化主管部門會同省級有關部門,督促企業加快技術改造,規范各項管理,并對列入公告名單的當地企業進行不定期監督檢查,將監督檢查結果于每年4月30日前報送工業和信息化部。第十條 充分發揮社會輿論監督作用,鼓勵社會各界對企業規范情況進行監督。任何單位或個人發現申請公告企業或已公告企業有不符合《規范條件》和 本辦法有關規定的,可向工業和信息化部投訴或舉報。
第十一條 工業和信息化部委托相關專業機構加強行業發展狀況的分析和研究,組織推廣應用先進適用的節能減排新技術、新工藝及新設備。
第十二條 已公告企業應在企業名稱、經營范圍及其他與《規范條件》相關的情況發生變化時,及時報省級工業和信息化主管部門,在1年內完成整改升級,并補充必要的證明材料,由省級工業和信息化主管部門組織相關機構和專家驗收后報工業和信息化部。工業和信息化部對驗收意見進行核實,對仍符合《規范條件》的,予以公告。
第十三條 已公告企業有下列情況之一的,省級工業和信息化主管部門應報請工業和信息化部將其從公告名單中撤銷:
(一)不能保持符合《規范條件》要求的;(二)不按要求提交《年度報告》的;
(三)報送的相關材料或生產經營有弄虛作假行為的;
(四)拒絕接受監督檢查或監督檢查不合格的;
(五)發生重大生產安全和環境污染事故,或違反國家法律、法規和國家產業政策行為的。
因前款規定被撤銷公告的企業,經整改合格2年后方可重新提出規范公告申請。
工業和信息化部撤銷公告應提前通過省級工業和信息化主管部門告知企業,聽取企業的陳述和申辯。
第十四條 支持國家或地方相關管理部門依據《規范條件》制定相應的配套監管措施,列入公告的企業名單將作為相關政策支持的參考依據。
五、附則
第十五條 本辦法由工業和信息化部負責解釋。第十六條 本辦法自2020年1月1日起施行,2016年2月4日工業和信息化部發布的《新能源汽車廢舊動力蓄電池綜合利用行業規范公告管理暫行辦法》(工業和信息化部公告2016年第6號)同時廢止。
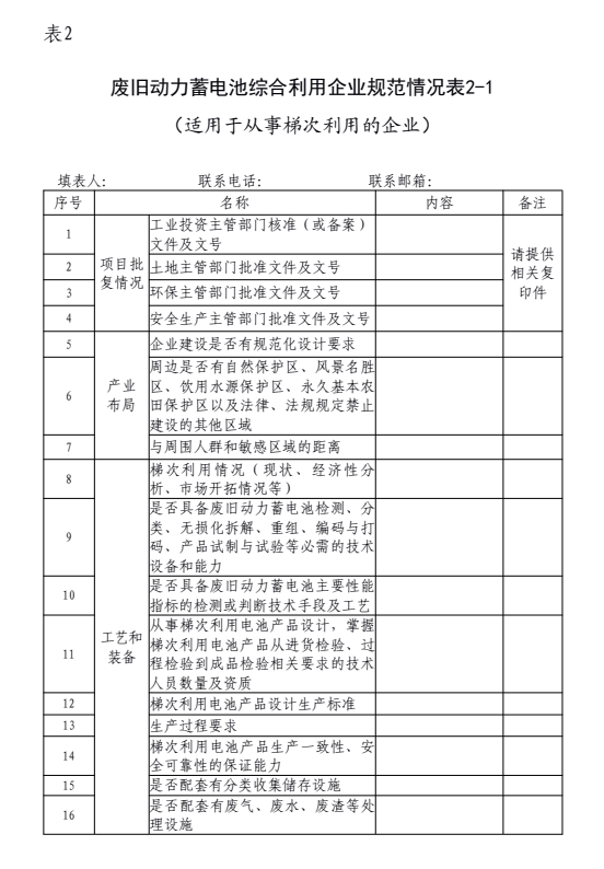
附表:
1.新能源汽車廢舊動力蓄電池綜合利用行業規范公告申請書
2.新能源汽車廢舊動力蓄電池綜合利用行業規范條件執行情況和企業發展年度報告









注:由于篇幅有限,如需文件資料請添加 汽車網校老師( QQ 2892126143) 索取
【相關閱讀】
|
|























